一、关于基带漏洞
基带漏洞最大的威胁是可以通过OTA(空中接口)利用,即通过发射加载漏洞利用代码的无线电波,从空中接口利用漏洞,在受害者无任何感知的情况下,远距离对受害者进行攻击。
如上图,自从第一个移动通信系统面世至今,移动通信系统经过近四十年发展,到现在通信标准已经迭代了五代,在一次次迭代过程中,安全问题尤其是来自于无线电波层面的空中接口威胁,已经引起了通信和安全专家们的极度关注。每一代移动通信标准制定时,专家们对协议都进行了非常严密的论证和验证工作。
针对于空中接口,从2G系统开始,引入加密,3G系统开始引入强制完整性保护,4G系统除了RRC完整性保护和加密之外,还引入了NAS层完整性保护和加密以及AS的加密,5G则额外引入了IMSI加密。
自从3G引入强制完整性保护之后,移动通信系统协议层面很少发现空口高危漏洞,纵观国际黑客会议,能从空口利用的影响4G用户的协议层面高危漏洞也就360独角兽安全团队发现的‘Ghost Telephonist’漏洞[1],LTE 重定向漏洞[3],以及IMSI catcher。
因此在协议层面发现高危漏洞的可能性已经降低,然而协议本身由代码实现,这些代码又是由人工编写,难免存在疏漏的可能,因此在空口层面的高危漏洞主要存在于基带实现过程中。对于移动终端而言,每个人都可以获取到基带的二进制固件代码进行分析,近年来也成为安全研究的热点。
二、手机处理器架构
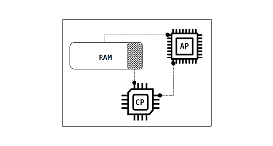
手机终端发展至今,已经由早期的功能机的单处理器架构(基带协议栈与应用程序共用一个处理器),发展为现在智能手机的modem+ap结构,某些高级终端SOC甚至包含十几个处理器,分别作为modem,音频,视频,传感器等用途。而对于Amat破解的shannon处理器,则可以简单的看成是CP(modem) + AP 结构。
如图所示,在shannon处理器中,CP部分由一个Cortex-R7 ARM 核构成,AP部分则可能是Cortex-A53, Cortex-A72等,CP 和 AP 共用RAM。
对于安全研究员而言,CP使用ARM 处理器是一个好消息,意味着可以使用IDA Pro强大的F5功能,不至于像逆向高通modem一样,要和头痛的Hexagon DSP 指令集打交道。
三、攻击路径
根据PWN2OWN的规则,攻击路径需要满足从空口攻破CP, 再以CP为跳板,攻破AP。
四、固件提取
虽然Shannon基带固件在可以在三星手机firmware中找到,但升级包中的固件是加密的,Amat Cama挖掘shannon基带漏洞的目的主要是满足pwn2own的要求,即找到能从OTA远程利用的基带漏洞,因此,在这里,Amat没有去挑战如何解密基带固件,而是想办法直奔主题,通过ramdump将已经解密的基带固件从内存中直接dump出来,具体流程如下。
在拨号盘上输入*#9900#调出工程模式的SYSDUMP菜单
选中 ‘DEBUG LEVEL ENABLED’按钮,将debug level设定为’HIGH’,之后手机将重新启动。
手机启动后,在拨号盘键入‘*#9900#’重新调出SYSDUM菜单,将’ CP RAM LOGGING‘设定为ON,手机将会再次重启。
手机启动后,调出SYSDUMP菜单,下滑找到‘RUN FORCED CP CRASH DUMP‘,并点击,手机将再次重启,并进入RAM加载模式。
同时按住POWER键和VOLUME DOWN键超过10秒将手机关闭并再次开机,开始dump过程。
重新打开SYSDUMP菜单,并点击‘COPY TO SDCARD(INCLUDE CP RAMDUMP)‘按钮,将dump文件拷贝到SDCARD。这时在/sdcard/log下将有一个名为‘pcrash_dump_YYYYMMDD_HHSS.log’的文件。
五、固件分析
Dump文件是并不包含elf文件格式的定位加载信息,因此在利用IDA 加载dump文件逆向分析之前,还需要分析dump文件的内存映射信息。
Shannon modem上电及ramdump由CP BOOT DAEMON(/sbin/cbd) 负责,而modem加密固件的开始部分还有一个modem的boot loader。
分析cbd及modem的boot代码可以得知dump文件偏移与虚拟地址的对应关系,下图的表格是另一篇破解shannon基带的议题分析的映射关系[2],由于基带版本号的关系,可能与pwn2own Amat分析的偏移不一样,笔者手里也没有相应型号的手机,此处没有验证。
有这个映射信息,可以编写一个IDA 加载器来加载这个ramdump文件。
六、分析TASKs
Samsung的shannon 基带处理器上运行有一个实时操作系统(RTOS), 首先我们需要在dump文件中定位到在RTOS上运行的这些TASKs。
我们知道CPU的入口是中断向量表,中断向量表位于固件的开始处,中断向量表里有一系列的终端向量,其中也包含‘RESET HANDLER’,这是处理器复位后开始执行的第一条指令所在,对RTOS固件的逆向分析通常会从RESET HANDLER入手。
在其中定位到一个链表,该链表中包含有所有各个task的信息,其中包括task名称,以及dump相应task的堆栈布局。通过一个脚本可以将这些task 信息提取出来。
其中一些task的名称很友好,可以从中猜出该task的功能,而另外一些task 命名则很有误导性。下面是Amat分析的一些Task名称。
MM (Mobility Management (移动性管理)?)
LLC(Logic Link Control(逻辑链路控制) ?)
SMS_SAP
GRR
SS
SAEL3
SNDCP
CC (Call Control ?)
SM (Session Management ?)
…
不同的task对应了协议栈中不同的分层
在实时操作系统中,Task之间的通信机制很多,在shannon处理器的RTOS中使用的是信箱机制(Mail box),具体机制可以去翻翻《操作系统原理》。
如下图所示,每个Task的流程大致如此,检查Mailbox中是否有自己的消息,处理消息,必要时还需要向其他Task发送消息,很多个Task协同完成整个基带协议栈的功能。
后面的工作,就是挑选一个Task开始逆向分析,task实现代码中包含很多有用信息。
七、漏洞挖掘及利用
7.1 环境搭建
对基带漏洞进行利用,需要满足可以从OTA(即通信中的空中接口)发送特定数据给手机基带的目的,这就要搭建一个自己完全控制的蜂窝网络,可以通过软件无线电实现,网络端的协议栈可以运行在电脑上,SDR硬件则工作在相应频率作为收发器使用。
关于基站的搭建过程,Amat也没有详细阐述,不过可以参考独角兽安全团队的著作《无线电安全攻防大揭秘》。
7.2 调试基带
由于每一次modem crash都可以得到一个ramdump文件,并且dump文件中包含有每一crash时的寄存器状态上下文,这会对逆向分析很有用。可以写一个脚本去分析这些dump文件获取一些有效信息,包括寄存器状态,内存信息等等。这些不同场景的dump文件,其实可以达到类似于调试器的效果。
7.3 深入分析
Layer 3的信令按照一种称为Information Elements的风格组织,具体有三种,V,LV,TLV,分别代表value, length + value, tag + length + value. 每条信令都可能包含一个或者多个V, LV, TLV 的区段,3GPP标准中有这些区段的定义,阅读相关的定义,并通过对task代码进行逆向分析,找到处理这些区段的代码。一些漏洞在这个过程中会被发现。
这里举一个例子, CC task 看起来是处理 呼叫控制( call control)的代码,呼叫控制(Call control)负责 GSM 协议中呼叫连接管理。
下面这个表格中是Call control的不同的信令消息。
下面是Call control各区段的定义。
如果想熟悉一下call control信令,也可以搭个osmocomBB,将mobile功能跑起来,用wireshark抓一下信令,具体请参阅《无线电安全攻防大揭秘》,下图是我抓的一个电话呼叫信令。
通过逆向分析CC task发现了一些漏洞,但是根据Amat参加几次pwn2own的经验历,这类漏洞对于pwn2own而言,基本毫无用处。而且简单漏洞,在比赛中撞洞的风险很大,因此需要更深入的分析以便找到更复杂的漏洞。
7.4 Pwn2own漏洞
Amat决定分析更为复杂的GPRS,开始阅读GPRS标准并分析GPRS的会话管理相关信令。下图是GPRS信令协议分层。
通过对标准的阅读,发现‘ACTIVATE PDP CONTEXT ACCEPT‘这条信令比较复杂,看起来很适合深入分析,下图是该信令各区段的详细定义
Amat通过对SM task的逆向,找到了处理这些信令的代码,其中也包括‘ACTIVATE PDP CONTEXT ACCEPT ‘信令。
在这里PDP 指的是‘Packet Data Protocol‘, GPRS 建立连接时,终端会发送’ ACTIVATE PDP CONTEXT ’信令,如果基站允许,则会回复’ACTIVATE PDP CONTEXT ACCEPT’。
下面代码片断是处理’Protocol configuration options’的,后面后详细说明(不要吃惊,这是从IDA 中逆向分析而来,F5反编译转化为C代码,其中有Amat做的注释和函数名还原)。
’Protocol configuration options’的功能包括:
发送与PDP上下文激活关联的外部网络协议选项,以及发送与外部协议或应用程序相关联的附加(协议)数据(例如配置参数,错误代码或消息/事件等)。
代码片段处理的是 IPCP (Internet Protocol Control Protocol), 具体内容如下
下面从前面逆向分析的代码中截取的片段
7.5 漏洞利用
设计的利用场景如下图,基站发送ACTIVE PDP CONTEXT ACCEPT给手机,从而触发漏洞,并利用漏洞。
然而理想很丰满,现实却很骨感,遇到的问题是手机仅仅在特定的状态下,即手机向基站发送’ ACTIVATE PDP CONTEXT REQUEST’之后,才接收‘ACTIVE PDP CONTEXT ACCEPT’信令。
所以现在问题变为怎么让手机发送‘ACTIVATE PDP CONTEXT REQUEST‘信令。当手机的APN设置中包含伪基站网络配置的信息时,手机会发送’ACTIVATE PDP CONTEXT REQUEST‘信令,但这在pwn2own规则中是个问题,不允许人工介入操作。
阅读3GPP标准更多的内容之后,发现通过给手机发送‘REQUEST PDP CONTEXT ACTIVATION ‘信令可以之后,可以强制手机发送’ ACTIVATE PDP CONTEXT REQUEST ‘。
于是攻击流程变为下图所示。
为了实施攻击,需要修改YateBTS的代码,添加实现发送‘REQUEST PDP CONTEXT ACTIVATION‘的代码。需要改动的是 mbts/SGSNGGSN/Ggsn.cpp文件。
由于arm cache-fu的限制,在payload的一阶段需要ROP,之后将相应的shellcode拷贝到特定的可读写执行(RWX)内存区域,然后做一次cache刷新,包括i-cache(指令cache),d-cache(数据cache)。后面的事情就是跳转去执行shellcode了。
Shellcode可以做任何事情,但为了更好的演示效果,Amat挑选的是通过在RFS(Remote file system, 用于给基带存储NV 信息,在Android上可以访问)写入一个文件。
当然payload也可以做别的事情,比如插入一个调试器,以便更好的分析其他漏洞。
7.6 漏洞演示
通过空口远程攻击基带,实现在RFS中写入一个文件,并在Android端查看文件,下面的图片显示漏洞利用成功。
八、总结
基带漏洞挖掘虽然对安全研究员的基本功要求很高,需要熟练掌握处理器原理,操作系统原理相关知识,以及熟练的二进制分析及漏洞利用技巧,但是并不需要过多的通信专业知识。如果阅读此文的小伙伴们,有坚实的二进制分析功底,也对基带漏洞挖掘有浓厚兴趣,可以发简历至unicornteam@360.cn。
九、参考文献
[1] Yuwei Zheng , Lin Huang, Ghost telephonist’ link hijack exploitations in 4g lte cs fallback https://www.blackhat.com/docs/us-17/thursday/us-17-Yuwei-Ghost-Telephonist-Link-Hijack-Exploitations-In-4G-LTE-CS-Fallback.pdf
[2] Nico Golde ,Breaking Band–reverse engineering and exploiting the shannon baseband https://comsecuris.com/slides/recon2016-breaking_band.pdf
[3] Lin Huang, Forcing Targeted LTE Cellphone into Unsafe Network, https://conference.hitb.org/hitbsecconf2016ams/materials/D1T1%20-%20Lin%20Huang%20-%20Forcing%20a%20Targeted%20LTE%20Cellphone%20into%20an%20Eavesdropping%20Network.pdf
审核人:Atoo 编辑:少爷























